Датчик присутствия B.E.G. PD4-M-DAA4G-FC (92591)
Сведения о продукте
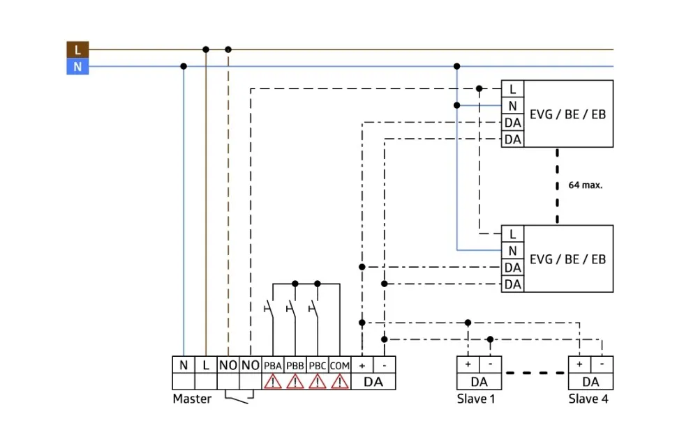
- Высокочувствительный датчик присутствия с возможностью автоматической адресации до 64 DALI устройств и сегментированным контролем до 4-х зон.
- Быстрый ввод в эксплуатацию и обслуживание с помощью приложения для смартфона/планшета (Android/iOS) - нет необходимости в компьютере.
- Три зоны освещения: Зона А: для основного освещения с постоянным сегментированием по 3 группам DALI и управление со смещением. Зона В: для акцентного освещения через отдельную группу DALI. Зона С: Для акцентного освещения через встроенное реле.
- Ручное переключение и диммирование с помощью стандартных кнопочных выключателей
- Возможность подключения функции биологически эффективного освещения для светильников DALI
- Мощное реле для различных режимов работы: функция "Cut-off" для балластов DALI, HVAC, освещение классной доски.
- До 4-х дополнительных Slave-устройств может быть подключено к шине DALI для расширения диапазона обнаружения.
- Полный набор функций можно активировать только с помощью ИК-адаптера и совместимого смартфона или планшета (Android/iOS)
Примеры использования
- Переговорные, классы, офисы, школы, университеты
Технические данные
- Сетевое напряжение 230V
- Энергопотребление 0,4 Вт
- Диапазон обнаружения 360°
- Дальность действия перпендикулярно Ø 24 м.
- Дальность действия фронтально Ø 8 м.
- Дальность действия присутствие Ø 6,4 м.
- Степень защиты IP20 / Класс II
- Габариты Ø 117 x 100 мм
- Температура окружающей среды от -25 °C до +50 °C
- Корпус Устойчивый к УФ поликарбонат
- Пульты IR-Adapter for Smartphones
Канал 1
- Каналы управления 230V
- Управление DALI: До 64 DALI балластов (макс. 3 группы DALI) + освещение доски или управление HVAC нагрузкой. Реле: 2300 Вт cos φ=1, 1150 ВА cos φ=0.5, 300 Вт LED
- Настройки времени 1 мин - 120 мин (для групп освещения). Ориентирующее освещение: 10 - 30 % / ВЫКЛ / 5 мин - 60 мин / ∞; 5 сек - 120 мин (для HVAC)
- Уровень освещенности 10 - 2500 Люкс