Импульсное реле Theben OKTO S22-230 (3120122)
Описание функций
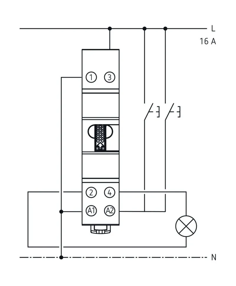
- Электромеханический импульсный переключатель, 2 канала, NO контакты (16A при 230VAC, cosφ = 1.0; 16AX при 230VAC, cosφ = 0.6)
- Управление двумя группами освещения несколькими выключателями (тип «звонковая кнопка»)
- Простое двухпроводное подключение кнопок
- Переключатель на устройстве
- Безпотенциальный (в случае с SELV)
- Подключение до 200Вт LED-ламп номиналом 2Вт и выше
- Не потребляет электроэнергию
- Электрически безопасное отключение всех полюсов (L и N)
Технические характеристики
| Номинальное напряжение | 230 В |
| Частота | 50 Гц |
| Ширина | 1 модуль |
| Тип монтажа | DIN рейка |
| Нагрузка ламп тлеющего разряда | 3 мА |
| Тип контактов | Нормально разомкнутые контакты |
| Лампы накаливания/галогенные | 1800 Вт |
| Светодиодные лампы 2-8 W | 200 Вт |
| Светодиодные лампы > 8 W | 200 Вт |
| Коммутационная способность | 16 A при 230 В AC, cos φ = 1, 16 AX при 230 В AC, cos φ = 0,6 |
| Материалы корпуса и изоляции | Термостойкий самозатухающий термопластик |
| Температура окружающей среды | -25°C ... +60°C |
| Класс электрической защиты | II |
| Степень защиты | IP 20 |